福島第二原子力発電所トップ

menu
バー
タイトル
バー



  
福島第二原子力発電所2号機における
シュラウドの点検状況について
平成14年10月3日
東京電力株式会社
福島第二原子力発電所


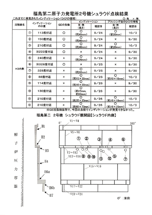
 当社は「原子力発電所における点検・補修作業に係わる不適切な取り扱い」に関し、シュラウドに「ひびまたはその徴候」の疑いがあるプラントを順次計画的に停止し、今回指摘されている部位および他の部位の溶接線点検を実施しております。

 本日迄に、シュラウド内側の溶接線(H3)について水中カメラ
を用いて調査いたしました。
その結果、10ヶ所にインディケーションを認めたため、これらの箇所をブラッシングし、再度水中カメラで調査したところ、5ヶ所にひびの様相を呈したものを確認しましたのでお知らせいたします。

今後も引き続き、他の部位について溶接線点検を実施するとともにその点検状況を順次お知らせいたします。

以 上


10~30cm離れた距離から直径1/1000インチ(25.4/1000ミリ)のワイヤが識別できる程度の精度の水中カメラ

図面


TOP

ページの先頭へ戻ります

公式アカウント:
  • 東京電力 公式Xアカウントのご案内ページへリンクします
  • facebook公式アカウントサイトへリンクします
  • Instagram公式アカウントサイトへリンクします
  • youtube公式アカウントサイトへリンクします
  • 東京電力 公式LINEアカウントのご案内ページへリンクします